Котел на дровах 0.2 МВт в Астане

0.2 МВт котел на дровах
Котел на дровах 0.2 МВт
Чертеж котла на дровах 0.2 МВт с колосниками
Котел на дровах 0.2 МВт с колосниками чертеж
Котел на дровах 0.2 МВт водогрейный
Водогрейный котел 0.2 МВт на дровах
Котел на дровах 0.2 МВт промышленный
Промышленный котел на дровах 0.2 МВт
Шибер газохода к котлу 0.2 МВт на дровах
Шибер газохода котла на дровах 0.2 МВт
Котлы на дровах КВД 0.2 МВт
Котлы КВД 0.2 МВт на дровах
Котел 0.2 МВт на дровах - обмуровка
Обмуровка котла на дровах 0.2 МВт
Котел 0.2 МВт на дровах - изготовление
Изготовление котла на дровах 0.2 МВт
Котлы 0.2 МВт на дровах - производство
Производство котлов на дровах 0.2 МВт
Котел 0.2 МВт на дровах - топка с охлаждаемыми колосниками
Топка с охлаждаемыми колосниками котла на дровах 0.2 МВт
Котел КВД-0.2 МВт на дровах - колосниковая топка
Колосниковая топка котла на дровах 0.2 МВт
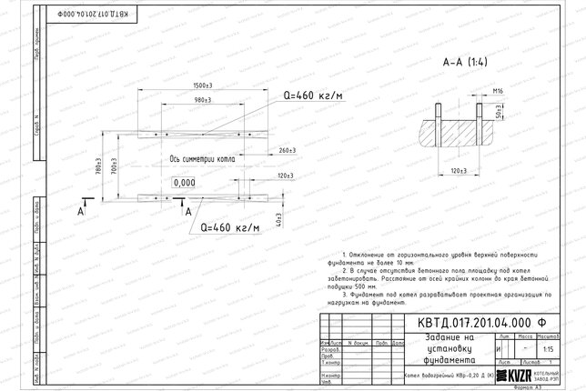
Чертеж фундамента котла на дровах 0.2 МВт с колосниками
Котел на дровах 0.2 МВт с колосниками фундамент
0.2 МВт котел на дровах
Чертеж котла на дровах 0.2 МВт с колосниками
Котел на дровах 0.2 МВт водогрейный
Котел на дровах 0.2 МВт промышленный
Шибер газохода к котлу 0.2 МВт на дровах
Котлы на дровах КВД 0.2 МВт
Котел 0.2 МВт на дровах - обмуровка
Котел 0.2 МВт на дровах - изготовление
Котлы 0.2 МВт на дровах - производство
Котел 0.2 МВт на дровах - топка с охлаждаемыми колосниками
Котел КВД-0.2 МВт на дровах - колосниковая топка
Чертеж фундамента котла на дровах 0.2 МВт с колосниками
Цена
2 722 080 ₸
От 2 722 080 ₸ с доставкой до г.
  • Котел для работы на дровах, досках, поддонах и других крупных кусковых отходах
  • Объемная и высокая топка для загрузки большого количества дров при одной закладке
  • Возможно изготовление дверок по индивидуальным размерам для удобной загрузки топлива

Технические характеристики котла на дровах 0.2 МВт

МаркаКотел на дровах 0.2 МВт
ВидВодогрейный
Тип отопительного котлаТвердотопливный
БрендHEATEXPERT
ТипКотел КВД
Вид топкиРучная, Колосники, ОУР
Максимальная тепловая мощность0.2 МВт
Максимальная тепловая мощность200 кВт
Максимальная тепловая мощность0.17 Гкал
Диапазон регулирования мощности50-100 %
ТопливоТвердое, Дрова
Низшая теплота сгорания проектного топлива2440 кКал/кг
Влажность топлива40 %
КПД котла на ДРОВАХ, не меннее80 %
Расход ДРОВ среднечасовой за отопительный сезон49.7 кг/ч
Расход ДРОВ среднечасовой за отопительный сезон0.1 м³/ч
Расход ДРОВ при максимальной нагрузке котла87 кг/ч
Расход ДРОВ при максимальной нагрузке котла0.18 м³/ч
Расход условного топлива30 кг/ч
Минимальная температура воды на входе в котел55 °С
Максимальная температура воды на выходе из котла115 °С
Давление воды, не более0.3-0.6 (3-6) МПа (кгс/см²)
Номинальный расход теплоносителя7 м³/ч
Расход теплоносителя через котел min-max5-9 м³/ч
Гидравлическое сопротивление при номинальном расходене более 0.07 (0.7) МПа (кгс/см²)
Аэродинамическое сопротивление50 (5) Па (мм. вод. ст.)
Разряжение в топочной камере20-40 (2-4) Па (мм. вод. ст.)
Объем уходящих газов960 м³/ч
Температура уходящих газов220 °С
ТягаУравновешенная
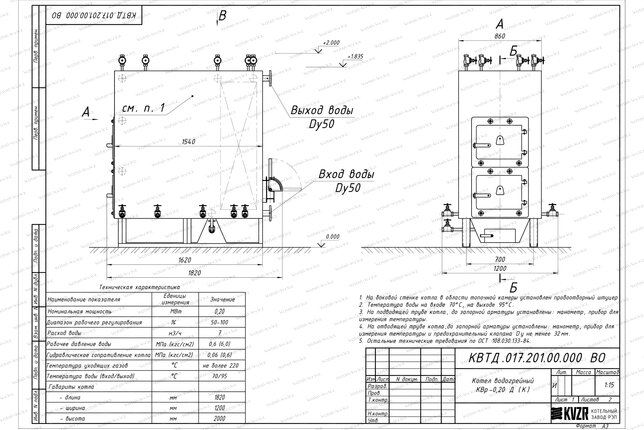
Водяной объем котла250 л
Объем топочной камеры0.91 м³
Размер топочной камеры, длина*ширина*высота930х700х1400 мм
Активная площадь решетки горения0.65 м²
Присоединительные размеры по водяному тракту50 Ду
Присоединительные размеры газохода уходящих газов, ширина*высота / сечение175х175 / 0.03 мм/м²
Габаритные размеры котла, длина*ширина*высота1820х1200х2000 мм
Масса1000 кг
Конструкция котлаВодотрубная
Количество контуровОдноконтурный
РазмещениеНапольный
Тип камеры сгоранияОткрытый
УправлениеЭлектронное
Принцип работы твердотопливного котлаКлассический
ЭнергонезависимыйНет
Тип питанияТрехфазное
Встроенный циркуляционный насосНет
Встроенный расширительный бакНет
Отапливаемая площадьот 1200 до 2200 м²
Отапливаемый объемот 3500 до 6500 м³
ЭнергоэффективностьВысокая

Твердотопливный котел на дровах 0.2 МВт в Астане

Промышленный отопительный котел на дровах мощностью 0.2 МВт нагревает воду температурой 115 °С, применяется для отопления и горячего водоснабжения маленьких и больших помещений и зданий. Используется в котельных с ручными топками.

Водогрейный котел 0,2 подходит для сжигания дров, поддонов, досок и других древесных кусковых отходов. Большой объем топочной камеры и оптимальная высота обеспечивает полное выгорание топлива. Объемная зона загрузки и горения позволяет укладывать большое количество дров при одной закладке.

Конструкция дровяного котла 0,2 МВт

Стальной водонагревательный дровяной котел 0 2 МВт - напольный, горизонтальный с ручной топкой. Передняя нижняя часть теплоагрегата – это чугунная колосниковая или стальная водоохлаждаемая топка. В задней части трубной системы установлены конвективные пакеты. Наружная изоляция выполняется стальными листами с огнестойкими плитами. Для очистки конвективной части имеется люк. На фронтовой плите устанавливаются две дверки, расположенные одна над другой.

Топочная часть

Топочная камера нагревательного котла 0,2 МВт на дровах выполнена из стальных водоохлаждаемых панелей для предотвращения деформации конструкции. Газоплотное исполнение топки исключает присосы холодного воздуха и выбивание горячих газов за пределы котла, повышая его КПД. В дополнительной поворотной камере, установленной на выходе из топки перед конвективным пучком происходит догорание легких и мелких топливных древесных частиц.

Колосниковая топка

Чугунные колосники собираются в решетку для поддержания слоя топлива, подачи воздуха в топку для горения и отделения зольника от топливной камеры. Отверстия в колосниках необходимы для удаления золы. Чтобы отверстия не забивались, снизу они расширяются. Дрова забрасываются на решетку через верхнюю дверцу. Верхняя загрузка способствует равномерному заполнению топочной камеры и контролю процесса горения. Под колосниками находится зольный короб с дверкой для чистки.

Водоохлаждаемая топка

Водоохлаждаемая топка состоит из труб наполненных водой, между которыми приварены полосы металла с отверстиями. Отверстия способствуют равномерному распределению воздуха по всей площади. Маленький размер отверстий не дает провалиться в зольник недогоревшему топливу. Дрова находятся в топке до полного их прогорания. Охлаждение колосников предохраняет их от перегрева и прогорания.

Конвективная часть

Конвективная поверхность производственного водотрубного котла 0,2 МВт на дровах выполнена из плотных регистров, вставленных друг в друга в шахматном порядке. Это обеспечивает значительную нагревательную площадь и высокий коэффициент передачи тепла. В связи с этим горячие дымовые газы подвергаются охлаждению до 180-200 °С.

Гидравлическая схема котла

Конструкция твердотопливного дровяного котла 0.2 МВт для отопления предполагает минимальные требования к водоподготовке. Скорость движения воды в трубах вызывает турбулизацию водного потока, что препятствует отложению солей и образованию накипи на стенках труб. Коллекторы котла снабжены многочисленными перегородками, которые не допускают образование застойных зон, возникновение теплового напряжения в трубах и перегрев.

Купить дровяной котел 0.2 МВт

Для того, что бы купить котел на дровах 0.2 МВт в Астане вы можете сделать заявку по телефону +7-7172-69-59-73, либо оформить заявку онлайн. Менеджеры дадут консультацию по подбору вспомогательного оборудования для выбранных вами моделей и рассчитают стоимость доставки. Транспортирование котлоагрегата и вспомогательного оборудования до объекта осуществляется автомобильным транспортом.

Комплект поставки котла на дровах 0.2 МВт

Затвор ДУ 50
Затвор Ду 50
2 штуки
Колосники котлов
Колосник 840x220
3 штуки
Клапан обратный
Клапан обратный
1 штука
Манометр МП 160
Манометр МП 160
2 штуки
Кран трехходовой ДУ 15
Кран Ду 15
2 штуки
Термометр ТТЖО
Термометр ТТЖО
2 штуки
Оправа термометра ОПТ
Оправа ОПТ
2 штуки
Вентиль Ду 15
Вентиль Ду 15
5 штук
Вентиль Ду 20
Вентиль Ду 20
10 штук

Вспомогательное оборудование для работы котла на дровах 0.2 МВт

Насос К консольный
К 50-32-125
Цена 283 656 тг.
Насос К консольный
К 50-32-125а
Цена 279 204 тг.
Насос TD
Насос TD32-33G2 (3 кВт)
Цена 788 640 тг.
Насос CHL
Насос CHL2-40 (0.55 кВт)
Цена 368 880 тг.
Дымосос ДН 3.5
Цена 355 524 тг.

Аналоги котла на дровах 0.2 МВт

На древесных отходах котел 0.2 МВт
Котел на древесных отходах 0.2 МВт
Вид топкиРучная, Подовая
Максимальная тепловая мощность, МВт0.2
ТопливоТвердое, Дрова, Древесные отходы естественной влажности
Отапливаемая площадь, м²от 1200 до 2200
Цена 3 103 680 тг.
Котел 0.2 МВт дрова уголь
Котел 0.2 МВт уголь дрова
Вид топкиРучная, Колосники, ОУР
Максимальная тепловая мощность, МВт0.2
ТопливоТвердое, Уголь, Дрова
Отапливаемая площадь, м²от 1200 до 2200
Цена 2 416 800 тг.
КВр-0.2 К котел
Котел КВр 0.2 МВт
Вид топкиРучная, Колосники
Максимальная тепловая мощность, МВт0.2
ТопливоТвердое, Уголь
Отапливаемая площадь, м²от 1200 до 2200
Цена 2 245 080 тг.
На опилках котел 0.2 МВт
Котел на опилках 0.2 МВт
Вид топкиВихревая, Автоматическая
Максимальная тепловая мощность, МВт0.2
ТопливоТвердое, Опилки
Отапливаемая площадь, м²от 1200 до 2200
Цена 8 675 040 тг.
0.25 МВт котел на дровах
Котел на дровах 0.25 МВт
Вид топкиРучная, Колосники, ОУР
Максимальная тепловая мощность, МВт0.25
ТопливоТвердое, Дрова
Отапливаемая площадь, м²от 1500 до 2600
Цена 2 722 080 тг.

Сертификат и качество котла на дровах 0.2 МВт

Сертификат на водогрейные котлы на твердом и жидком топливе
Сертификат на водогрейные котлы на твердом топливе

Собственное производство

Котельный завод производит
  • Паровые котлы от 300 кг до 2.5 тонны пара в час
  • Промышленные водогрейные котлы от 150 КВт до 4 МВт на всех видах топлива
  • Механические топки ТШПМ, шурующая планка и ТЛПХ, ленточное полотно прямого хода
  • Циклоны для очистки воздуха и дымовых газов для производств и промышленных отраслей
  • Транспортеры и системы топливоподачи и шлакоудаления
Подробнее о производстве
Собственное производство
Смотреть видео
с производства